Vehicle Control Systems Engineering Assignment Sample
This study models electric vehicle cruise control performance using Simulink and PID-based control strategies.
Ph.D. Experts For Best Assistance
Plagiarism Free Content
AI Free Content
Vehicle Cruise Control Modelling And Investigation Of Vehicle Performance
1. Introduction
1.1 Background on Cruise Control
Cruise control sustains the velocity of a car, retards with no outside command and also controls the torque in electric autos (EVs) hence efficient utilization of energy. EV systems compensate for factors such as incline, decline as well as wind drag, something that internal combustion engine vehicles cannot do. Advanced versions like the adaptive cruise control enhance efficiency, safety and the comfort level of driving. It is especially suitable for EVs because the accurate control of torque improves the energy efficiency and range of the vehicle. Cruise control is also built into more advanced systems for motor vehicle control such as the automatic braking system and lane control, putting it at the heart of semi-autonomous vehicles.
1.2 Importance of EVs for the Study
The area of this research is electric vehicles (EVs) because it is energy-saving, eco-friendly and equipped with sophisticated control systems. Thus, the application of torque as well as regenerative braking make EVs optimal when it comes to analyzing cruise control. It will contribute to enhancing the EV cruise control performance under the impacts of the real-world disturbances and ensures the driving comforts and efficiency. These factors, such as regenerative brakes and the precise management of torque within the car, make them perfect for research on cruise control. In this regard, the contribution of this research will be to broaden the understanding of the factors determining the utilisation of EVs to help improve other similar systems towards fostering more efficient and clean transportation systems to the world.
1.3 Objectives of the Study
- To simulate an electric vehicle with a cruise control system using simulink.
- To provide output for the evaluation of ON/OFF and PID-based cruise control approaches.
- To analyze effects of disturbance factors such as the inclined surface of the road and the force of wind.
- To assess the ability of PID tuning in cruising speed stability regulation.
2. Methodology
2.1. System Dynamics
In MATLAB/Simulink, the dynamics of the EV are driven by Newton’s Second Law where the forces that are considered includes traction force, air drag, rolling resistance force, and gravitational force. Cruise control of a car’s speed is maintained by a PID controller for motor torque and MATLAB data scripts for external inputs such as road gradients, wind speed for changes in throttle which consistently calculates the optimum of speed, fuel consumption and fuel efficiency. The simulation in MATLAB by incorporating the proposed kinematic and dynamic model also includes other parameters apart from Newton’s Second Law in the simulation of the EV. One of the force factors, which in this model are quantified and modeled include traction force, air drag, the rolling resistance, and gravitational force to estimate the movements of a vehicle. Further, these forces can be constantly refined depending on the dynamic inputs like changing road gradient, wind speed and the auxiliary loads among others (Shi and Li, 2021). The role of the PID controller varying the torque of the motor as per the time period which overcome the external disturbances. The control logic focuses on power consumption and increase the generation of fuel, thus making the model more practical and versatile in real world conditions.
2.2. Trip Profile
A model built in MATLAB/Simulink is EV trip profile where it imitates real driving conditions with detail to various characteristics of the trip such as speed, road gradient or inclination and disturbances. Data of elevation, wind speed and auxiliary loads that affect the dynamics of the vehicle is obtained through MATLAB scripts (Wang et al.2021). The PID-based cruise control changes the torque control of the motor to maintain, control the speed and efficiency with the help of output graphs. The real-time environment which affects the vehicle’s performance such as gradient, wind speed and traffic loads are incorporated when designing the trip profile in MATLAB/Simulink models to simulate real-world driving scenario. These disturbances are applied in a real time by feeding the model with real time data for elevation, wind conditions and auxiliary loads using MATLAB scripts. The trip features are the values of the automobile characteristics during the trip, particularly in relation to acceleration and deceleration. These variations dictate that there must be changes to the adaptive cruise control (De Klerk and Saha, 2021). The speed control using the PID is enhanced to allow the most suitable torque to manage the motor hence give the car the right speed to maintain optimum efficiency in aspects such as climbing, headwind etc.
2.3. Motor Selection
In MATLAB/Simulink for motor selection of EV, requirements such as power, torque and efficiency available in the motor can be considered. The motor must work against many forces and keep the required cruising velocity. The motor control system simulates with the help of Simulink models, whereas cruise control for the motor is achieved with the help of the PID controller for controlling the speed, power, and efficiency of the motor during the simulation. The EV simulation motor selection has to ensure that the required power from the vehicle is matched with the torque and power of the motor. A detailed motor performance map which can illustrate the motor behavior under a wide range of loads such as low speed torque and the peak power is constructed. Dynamic efficiency refers to the comparison of the motor efficiency with regards to vehicle energy demand of every stage of a trip including cruise, acceleration, and deceleration phases. In Simulink model, motor efficiency is labeled as one of the most important parameters within a system to be controlled since if optimal speeds are to be achieved minimal energy is expected to be consumed (Ko et al., 2022). The performance map plays the significant role to keep the motors to meet the maximum power and torque when the vehicle is demanded in different driving conditions while providing consistent supply in terms of loads and speeds.
2.4 Cruise Control Implementation
Cruise control in MATLAB/Simulink is implemented using both ON/OFF and the PID controller in order to control the car speed. The ON/OFF controller makes the motor torque be either totally turned on or off thus causing variations in speed while the PID controller increments the throttle inputs gradually to control the speed (Chen et al.2022). Simulink simulations compare both methods under disturbances like road elevation and wind resistance. The ON/OFF controller and PID controller are the two controllers involved in the cruise control system in Simulink, and consequently, the two have different ways of keeping the speed of the vehicle constant. The ON/OFF controller often entails frequent changes in speed because of the sudden variation of the motor torque, hence high energy wastage. On the other hand, the PID controller acts more aptly as it changes the throttle input or command of the motor and it is more suitable for this type of control because its changes are smooth and gradual. This helps in canceling out or limiting undesirable oscillatory movements of the vehicle speed, saving energy in the process (Quan et al., 2021). The scenario also provides a comparison of PID control in cases with and without The influence of various disturbances for instance, road incline, wind resistance, and mechanical load, which demonstrates that PID controller delivers better performance and stability in comparison with the conventional controller.
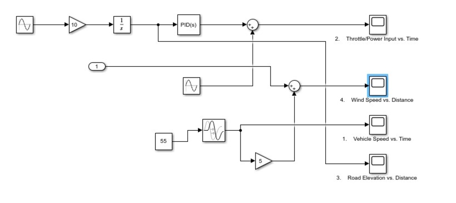
2.5 Simulink Model Development

Figure 1: Simulink Model Development
(Source: Self-Created in Matlab)
The Simulink comprises blocks that represent the EV system such as motor dynamics, cruise control and disturbances. Road gradient, wind speed and auxiliary load are taken as data inputs and input data and interfaced through MATLAB scripts. These disturbances are handled by the model whereby the motor torque is regulated to respond to the disturbances in order to achieve the required speed and energy efficiency stability. The desired speed input is then passed through a gain block and then it is passed to the PID controller and which controls the power supplied to the Motor to achieve steady speed. Regulation feedback loops are also used to maintain the speed of the vehicle and would be making constant adjustments to the control signals. Random variables which are implemented through MATLAB scripts provide a representation of the external interferences such as road slope and wind velocity.
Data Input for Disturbances
Road elevation: Pertaining to changes in the geographical altitude in relation to the height of the vehicle and the driving speed as well as the energy expenditure. Wind Speed: Wind force that influences the vehicle kinematics and needs a change in the torque from the motor (Kakouche et al., 2022). Auxiliary Load: Other loads that affect the responsiveness of the vehicle and its energy utilization. These disturbances are incorporated into its Simulink model to mimic actual environment on the road as possible.
Explanation of External Factors
Road elevation: Full details involving sloping or tilting of the road affect the speed of the car or any other vehicle, and in responding to these adjustments, torque from the engine is needed to offer stability. Wind Speed: As it affects the dynamics of the vehicle, constant changes should be made to the control parameters to enable it to achieve its momentum. Auxiliary Loads: Usually, extra loads including occupants’ weights, cargo affect the performance and fuel efficiency of the vehicle, and therefore, change the manner in which the cruise control mechanism works.
2.6 Simulation Scenarios
The simulation models in Simulink assess the performance of cruise control with regard to two factors in the absence of disturbances and with disturbances. In the initial case, the EV is set where there is a leveled ground with no interference from external forces to the EV. In the second, road elevation, wind speed and other auxiliary loads influence speed and thus need change of control parameters for stability.
Without Disturbances
In this case the road is flat and there is no motion disturbance in the general operation of the EV. Increased regularity of large cruise provides the necessary conditions for density to reveal the effect ache i.e the efficiency and response of the PID controller (Onyando and Naikuru, 2021). It is used as a reference for evaluation to consider the performance of the project in its purest form without any deviations.
With Disturbances
Several challenges are incorporated such as road surfaces of different heights; different wind speeds as well as different loads to replicate real life conditions. These disturbance scenarios entail dynamic control change so that the stability and the optimal rate are achieved as presented in the following figure depicting the PID control.
3. Results & Discussion
3.1 Graph 1: Vehicle Speed vs. Time

Figure 2: Vehicle Speed vs. Time
(Source: Self-Created in Matlab)
The Vehicle Speed Vs. Time graph illustrates how the cruise control system works on the car through the Computer Controlled Cruise Control Subsystem. Only when there are no external impulses, the identified speed stays the same, which means that it fluctuates in reaction to various stimuli. PID controller also helps in controlling the oscillation which is very effective while accelerating and decelerating (Yang et al.2021). This graph permits evaluating the capability of the controller in sustaining a constant cruising speed even with the change in occurrences. It also shows that how much the system is capable to dampen the oscillation during acceleration and deceleration which is important factor in terms of comfort of passengers as well as fuel efficiency (Wang et al., 2021). Through the response time as well as stability of speed control, engineers are able to improve the PID continually in order to gain the optimized results for different road conditions to provide the smoother ride and higher efficiency when driving.
3.2 Graph 2: Throttle Response vs. Time
Figure 3: Throttle Response vs. Time
(Source: Self-Created in Matlab)
The Control System Dynamic Response is shown on the Throttle Response vs. Time graph whereby motor torque is adjusted to help in maintaining speed. Here in ON/OFF control, the throttle changes throughout the operation are wide, thus leading to oscillations, while in the case of PID control, changes are gradual. This graph is useful for the purpose of comparing efficiency of energy response and the effectiveness of response in relation to the given driving conditions and interference. Here, the PID controller presents a more sophisticated approach towards the use of the throttle control. One can single out gradual and continuous changes, which enable to keep constant speed on the route. This affords a smoother regulation thus reducing on the unnecessary fluctuations that are undesirable in terms of energy consumptions and ride comfort (Li and Du, 2021). Since it constitutes an incremental control system, the PID controller can reverse external interferences including changes in gradient or wind resistance to maintain a standard performance regardless of the prevailing conditions.
3.3 Graph 3: Elevation Profile vs. Distance
Figure 4: Elevation Profile vs. Distance
(Source: Self-Created in Matlab)
The Elevation Profile vs. Distance graph defines the alterations in height of the road taken during the journey. It is made in MATLAB coding and deployed into Simulink to do actual incline and declining movements (Tang et al.2023). These depressions and elevations alter the speed and energy used by the vehicle hence calls for constant use of cruise control to enhance the best drivetrain. The graph is valuable in the sense that it will give an indication of how effective the cruise control system is when faced challenges in the road. It assists engineers to determine how the system behaves under elevation changes and facilitates the distribution of torque that enhance efficiency and smooth running of the system. Thus, the further optimization of the control algorithms can be obtained in accordance with the results of comparative data analysis, allowing to provide a high level of the vehicle control in various types of terrain. In summary, the Elevation Profile vs. Distance representation is extremely useful for improving cruise control systems, so that they are best suited for real road conditions.
3.4 Graph 4: Wind Speed Profile vs. Distance
Figure 5: Wind Speed Profile vs. Distance
(Source: Self-Created in Matlab)
One of the changes observed from the Wind Speed Profile vs. Distance graph is wind resistance that impacts vehicle dynamics. Developed also with the help of MATLAB codes, it is embedded in Simulink to investigate the effect of different wind conditions on speed and power. Such effects are counteracted by the cruise control system to give stability and efficient use of energy in the trip.
3.5 Comparison of ON/OFF vs. PID Control
Figure 6: ON/OFF vs. PID Control
(Source: Self-Created in Matlab)
The cruise control is analysed using the ON/OFF and PID control such that the differences in performance can be depicted. ON/OFF control is not very efficient since the speed changes in steps, and this is caused by the change in throttle signal abruptly (Punzo et al.2021). While PID control brings continuous changes, small variations and fluctuations in its operation, thus reducing waste, in energy consumption. PID is also shown to outperform the other controllers in simulation by keeping the car stable, besides other observations, especially under different driving conditions.
Figure 7: ON/OFF vs. PID Control
(Source: Self-Created in Matlab)
The PID control can be described as a far more complex and efficient method. The PID control can be used to smoothly regulate vehicle speed through adjusting the throttle input in terms of, proportional, integral and derivative thereof. It helps in avoiding vibrational motion and energy consumption fluctuations thus giving a more confortable drive. This feature of strong control makes it possible for the PID control to counteract minor disturbances such as change in gradient of the road or wind restrain. However, from the above analysis, it is perceived that PID control provides a much stable performance than ON OFF control type for the steady operation of the vehicles (Gao et al., 2021). As claimed earlier, the presence of such content may be preferred by most present day cruise control systems because it provides a satisfactory drive torque level and response time for various driving situations and is also physically flexible.
3.6 Discussion of Controller Performance
The discussion on the operation of the controller deals with aspects such as PID tuning, stability and response issues. Correct tuning results in low overshoot and steady-state errors hence achieving the optimal energy consumption. Some benefits consist of better provision of smooth speed regulation while the disadvantages include the following: Sensitivity to parameter selection. Potential refinements for future development consists of adaptive control or implementation of AI that will make the system perform better under varying driving conditions in real time.
4. Conclusion
4.1 Summary of key findings
It states that regarding the efficiency of PID over ON/OFF controllers for stable speed and energy efficiency of the total system, the study provides adequate evidence. Some of the external interferences include road gradient and wind forces that affect the behavior of the car, and through PID control, these are catered for. There is also the possibility to incorporate adaptive or even AI methods in an attempt to achieve higher control performance.
4.2 Discussion of future work
Discrete research could be done in the future to incorporate the regenerative braking functions into cruise control systems to enhance power values could be done in the future to extend the regenerative braking to cover cruise controls. Some strategies that concern the improvement of traffic conditions can be discussed, for instance adaptive cruise control or AI-based optimization to control real-time response to the traffic condition to adjust vehicle speed and performance in real-time with the ultimate goal to optimize vehicle behavior to suit drivers and passengers, and enhance fuel efficiency and comfort in different traffic situations. Further works may be designs to incorporate machine learning models to predict or self-adjust the road and traffic conditions appropriately. This would require creation of models that could take the historical and contemporary information and then, make the control parameters change in real time. Thus, expanding research to other environmental factors, for instance temperatures and humidity levels in the environment that the vehicle is affected by, would offer more understanding on the required adjustments on the cruise control system.
Working on control systems, MATLAB Simulink, or electric vehicle assignments like this? Our assignment help online deliver technically accurate, simulation-based engineering solutions aligned with university marking criteria—helping you submit high-quality work with confidence.
Reference List
Journals
Liu, S., Wang, X., Hassanin, O., Xu, X., Yang, M., Hurwitz, D. and Wu, X., 2021. Calibration and evaluation of responsibility-sensitive safety (RSS) in automated vehicle performance during cut-in scenarios. Transportation research part C: emerging technologies, 125, p.103037.
Du, Y., Chen, J., Zhao, C., Liu, C., Liao, F. and Chan, C.Y., 2022. Comfortable and energy-efficient speed control of autonomous vehicles on rough pavements using deep reinforcement learning. Transportation Research Part C: Emerging Technologies, 134, p.103489.
Ma, F., Yang, Y., Wang, J., Li, X., Wu, G., Zhao, Y., Wu, L., Aksun-Guvenc, B. and Guvenc, L., 2021. Eco-driving-based cooperative adaptive cruise control of connected vehicles platoon at signalized intersections. Transportation Research Part D: Transport and Environment, 92, p.102746.
Wang, Y., Wu, Y., Tang, Y., Li, Q. and He, H., 2023. Cooperative energy management and eco-driving of plug-in hybrid electric vehicle via multi-agent reinforcement learning. Applied Energy, 332, p.120563.
Punzo, V., Zheng, Z. and Montanino, M., 2021. About calibration of car-following dynamics of automated and human-driven vehicles: Methodology, guidelines and codes. Transportation Research Part C: Emerging Technologies, 128, p.103165.
Leng, D., Shao, S., Xie, Y., Wang, H. and Liu, G., 2021. A brief review of recent progress on deep sea mining vehicle. Ocean Engineering, 228, p.108565.
Shi, X. and Li, X., 2021. Constructing a fundamental diagram for traffic flow with automated vehicles: Methodology and demonstration. Transportation Research Part B: Methodological, 150, pp.279-292.
De Klerk, M.L. and Saha, A.K., 2021. A comprehensive review of advanced traction motor control techniques suitable for electric vehicle applications. IEEE Access, 9, pp.125080-125108.
Ko, S., Sanghavi, H., Zhang, Y. and Jeon, M., 2022. Modeling the effects of perceived intuitiveness and urgency of various auditory warnings on driver takeover performance in automated vehicles. Transportation research part F: traffic psychology and behaviour, 90, pp.70-83.
Quan, S., Wang, Y.X., Xiao, X., He, H. and Sun, F., 2021. Real-time energy management for fuel cell electric vehicle using speed prediction-based model predictive control considering performance degradation. Applied Energy, 304, p.117845.
Kakouche, K., Rekioua, T., Mezani, S., Oubelaid, A., Rekioua, D., Blazek, V., Prokop, L., Misak, S., Bajaj, M. and Ghoneim, S.S., 2022. Model predictive direct torque control and fuzzy logic energy management for multi power source electric vehicles. Sensors, 22(15), p.5669.
Onyando, E.M. and Naikuru, S., 2021. Influence of Inventory Control on Performance of Kenya Vehicle Manufacturers Limited.
Wang, P., Deng, H., Zhang, J., Wang, L., Zhang, M. and Li, Y., 2021. Model predictive control for connected vehicle platoon under switching communication topology. IEEE Transactions on Intelligent Transportation Systems, 23(7), pp.7817-7830.
Li, D. and Du, L., 2021. Auv trajectory tracking models and control strategies: A review. Journal of Marine Science and Engineering, 9(9), p.1020.
Gao, H., Kan, Z. and Li, K., 2021. Robust lateral trajectory following control of unmanned vehicle based on model predictive control. IEEE/ASME Transactions on Mechatronics, 27(3), pp.1278-1287.
Go Through the Best and FREE Samples Written by Our Academic Experts!
Native Assignment Help. (2026). Retrieved from:
https://www.nativeassignmenthelp.co.uk/vehicle-control-systems-engineering-assignment-sample-47596
Native Assignment Help, (2026),
https://www.nativeassignmenthelp.co.uk/vehicle-control-systems-engineering-assignment-sample-47596
Native Assignment Help (2026) [Online]. Retrieved from:
https://www.nativeassignmenthelp.co.uk/vehicle-control-systems-engineering-assignment-sample-47596
Native Assignment Help. (Native Assignment Help, 2026)
https://www.nativeassignmenthelp.co.uk/vehicle-control-systems-engineering-assignment-sample-47596
- FreeDownload - 40 TimesUnit 1: Communication in Care Settings Assignment Sample
Introduction Communication is a process by which the data or information is...View or download
- FreeDownload - 42 TimesPublic Health Policy Development and Healthcare Promotion Assignment Sample
Public Health Policy Development and Healthcare Promotion Introduction :...View or download
- FreeDownload - 41 TimesDigital Transformation Assignment Example
Introduction - Digital Transformation Galaxy that serves in the field of...View or download
- FreeDownload - 38 TimesSupporting Individuals with Multiple Conditions and Disabilities: Roles, Resources, and Impact Assignment Sample
Supporting Individuals with Multiple Conditions and Disabilities: Roles,...View or download
- FreeDownload - 39 TimesPersonal and Professional Development Assessment
SH4052 Personal and Professional Development Assessment...View or download
- FreeDownload - 42 TimesIntroduction To Effective Care Assignment Example
Introduction To Effective Care Assignment Effective care of a person may...View or download
-
100% Confidential
Your personal details and order information are kept completely private with our strict confidentiality policy.
-
On-Time Delivery
Receive your assignment exactly within the promised deadline—no delays, ever.
-
Native British Writers
Get your work crafted by highly-skilled native UK writers with strong academic expertise.
-
A+ Quality Assignments
We deliver top-notch, well-researched, and perfectly structured assignments to help you secure the highest grades.
